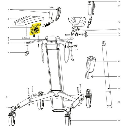
Abrazadera completa para empuñadura

€0,00

Descripción

Apto para Taurus H